Log in
|
Sign up
0
items in your cart
Home
About
Expand child menu
-Important Info - Warranty & Returns
Galleries
Expand child menu
-Third Coast 2025 Gallery
-Third Coast 2024 Gallery
-928 historic racing pictures
-Unique 928s clubsport
-2020 Sharks in the Badlands
-Third Coast 2020
-2024 928s Gallery
-"Big Noise: The Porsche 928 Noise Test Vehicle"
Events
Guides
Expand child menu
-How To Guides
-Product Guides
-Video Guides
-Technical Information
-How to Use Store Credit
Contact Us/Request Quote
Close
928 Catalog - Shop All Products (General)
928 Catalog - Shop by System
Expand child menu
Engine
Fuel System
Exhaust
Transmission
Front Suspension
Steering
Rear Suspension
Brakes
Wheels and Tires
Controls
Body Interior
Body Exterior
Electrical
Accessories
Maintenance
928 Catalog - Shop by Year
Expand child menu
1978 Porsche 928
1979 Porsche 928
1980 Porsche 928
1981 Porsche 928
1982 Porsche 928
1983 Porsche 928
1984 Porsche 928
1985 Porsche 928
1986 Porsche 928
1987 Porsche 928
1988 Porsche 928
1989 Porsche 928
1990 Porsche 928
1991 Porsche 928
1992 Porsche 928
1993 Porsche 928
1994 Porsche 928
1995 Porsche 928
Specialist Kits
Expand child menu
Timing Belt Kits
Fuel Hose Rebuild Kit
Aftermarket Corner
Request a Quote
Expand child menu
Request a Quote: Roger@928srus.com
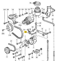
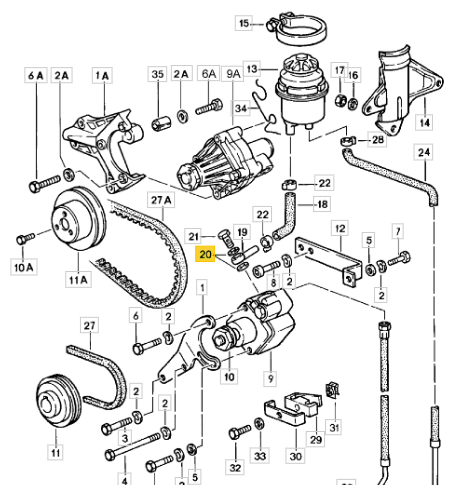
N 013 832 2 - Power Steering - Seal Ring 18 x 22 - 78 to 84
928sRus, Inc.
$2.00
SKU: N0138322
Default Title -
$2.00 USD
Qty
Add to Cart
← Previous Product
Next Product →
Share:
Share
Power Steering - Seal Ring 18 x 22 - 78 to 84
#20 on the PET Drawing
Our brands